中文版
|
English
首 页
关于我们
新闻中心
产品展示
应用范围
产品数据库
工程案例
客户服务
联系我们
产品展示
喷嘴质量保证
产品试验设备
脱硫雾化喷嘴
脱硫喷枪
自动化控制供液泵站
双流体精细雾化喷嘴
单流体精细雾化喷嘴
螺旋喷嘴
蜗流空心喷嘴
实心MP防堵喷嘴
标准实心锥喷嘴
空心锥喷嘴
扇形喷嘴
喷嘴配件
喷嘴阀门管件
水泵
电控制柜
除雾器
喷泉喷嘴
联系我们
地址:山东省汶上县经济开发区
电话:0537-7267788
传真:0537-7267788
产品展示 -
喷嘴质量保证
产品名称:
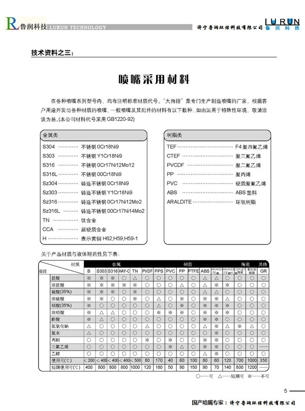
喷嘴选择使用材料
产品型06034978号:LR-04
浏览次数:
产品详细介绍:
电话:
0537-7267788
传真:
0537-7267788
E-mail:dmzpw@yahoo.com.cn
版权所有:济宁鲁润环保科技有限公司 鲁
ICP
备
06034978号